Contact Us

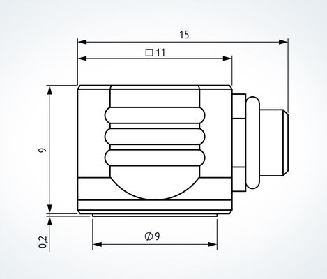
T10

Structure-Borne Sound Probe

The compact structure-borne sound probe T10 is perfectly suited for permanent condition monitoring  in industrial plants.

  • Compact structure-borne sound probe up to 100 kHz
  • Monitoring of difficult to access inspection points through fixed installation
  • For non-magnetic surfaces
  • Trend monitoring for longer periods

Get a Quote

Contact Us!

We will be happy to help you.

For more information regarding applications and pricing, please feel free to contact us.

Receiver: florian.starnitzky@sonotec.de

Do you have any questions?

Feel free to contact us! We will be happy to help you.

Florian Starnitzky

Sales Manager ǀ Preventive Maintenance
+49 345 13317-837